Редуктор Ц2-250-10
Редуктор Ц2-250-10 – это цилиндрический крановый агрегат, который предназначен для изменения частоты вращения и крутящего момента вала в приводах грузоподъемных механизмов. Особенность данного редуктора в использовании шевронного зацепления в быстроходной ступени
Условия применения редуктора Ц2-250-10:
- Коэффициент полезного действия превышает 98%.
- Редуктор рассчитан как на сменные нагрузки с остановками, так и на работу длительное время (целую сутки).
- Конструкцией предусмотрено вращение валов в обе стороны.
- Точность передачи крутящего момента.
- Идеальная среда, для работы редуктора – неагрессивная, невзрывная.
Заказать редуктор Ц2-250-10 и другие устройства, вы можете, звонив или оставив заявку у нас на сайте. Сотрудничая с компанией «Промпривод», вы получаете качественный товар, поскольку все устройства перед отправкой проходят дополнительные проверки. Мы предоставляем гарантию от производителя на 12 месяцев, а также 100% выполнения всех условий договора. Доставка возможна по всем уголках Украины.
Размеры цилиндрического кранового редуктора Ц2-250-10:
| AWT | Aw б | A | A1 | B | H | H1 | h | h1 | L | L1 | L2 | L3 | L4 | L5 | d | n |
| 150 | 100 | 285 | 210 | 260 | 310 | 160 | 18 | - | 515 | 400 | 75 | 183 | 220 | 280 | 22 | 4 |
Варианты складывания редуктора Ц2-250-10:
Технические характеристики редуктора Ц2-250-10:
| Передаточное число | 10 | ||
| Момент кручения на выходе, Нм | Режим работы | Непрерывный Б (ПВ=100%) | 800 |
| Очень тяжелый ДВ (ПВ=60%) | 900 | ||
| Важкий В (ПВ=40%) | 1100 | ||
| Средний С (ПВ=25%) | 1600 | ||
| Легкий Л (ПВ=15%) | 2800 | ||
| Скорость вращения быстроходного вала, об/мин | 1500 | ||
| Нагрузка на входном валу, Н | Режим работы | Непрерывный Б (ПВ=100%) | 400 |
| Важкий В (ПВ=40%) | 750 | ||
| Средний С (ПВ=25%) | 1000 | ||
| Легкий Л (ПВ=15%) | 1100 | ||
| Нагрузка на исходном валу, Н | Режим работы | Непрерывный Б (ПВ=100%) | 7000 |
| Очень тяжелый ДВ (ПВ=60%) | 6300 | ||
| Важкий В (ПВ=40%) | 8300 | ||
| Средний С (ПВ=25%) | 10000 | ||
| Легкий Л (ПВ=15%) | 13000 | ||
| Вес устройства, кг | 128 | ||
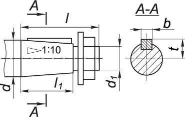
Размеры валов конической формы цилиндрического кранового редуктора Ц2-250-10:
| Вал, расположенный на входе | Вал, расположенный на выходе | ||||||||||
| d | d1 | l | l1 | b | t | d | d1 | l | l1 | b | t |
| 30 | М20×1.5 | 80 | 58 | 5 | 15.55 | 65 | М42×3 | 140 | 105 | 16 | 33.88 |
Размеры валов цилиндрической формы кранового редуктора Ц2-250-10:
| Вал, расположенный на выходе | ||||||||
| d | d1 | d2 | l | l1 | b | t | n | L |
| 65r6 | 32 | М10 | 105 | 20 | 18 | 71 | 2 | 255 |
Таблица размеров вала, расположенного на выходе, что выглядит зубчатой полумуфты редуктора Ц2-250-10:
| b | d | d1 | d2 | L | l | l1 | Зацепление | |
| m | z | |||||||
| 20 | 147 | 72F8 | 95 | 198 | 8 | 38 | 3.5 | 40 |
Пример условного обозначения редуктора Ц2-250-10 при заказе:
| Основные | |
|---|---|
| Производитель | Промпривод |
| Страна производитель | Украина |
| Количество рабочих ступеней | 2 |
| Материал корпуса | Чугун |
| Состояние | Новое |
| Тип | Редуктор |
| Тип комплектующего | Корпус |
| Тип редуктора | Цилиндрический |
| Пользовательские характеристики | |
| Вес редуктора | 128 кг |
| Гарантія | 1 год |
| Діаметр осі валу | по согласованию |
| Електродвигун | отечественный |
| КПД | 97% |
| Цвет корпуса | Красный|Серый|Синий |
| Кількість олії в редукторі | 3 л |
| Матеріал виготовлення валів | стали 45 и 40Х |
| Передавальне число | 10 |
| Термообробка зуб'їв | Да |
| Типи валів | конический, цилиндрический, в виде зубчатой полумуфты |
- Цена: 21 500 ₴






