Редуктор Ц2-250-25
Редуктор типу Ц2-250-25 – це циліндричний крановий механізм, він відноситься до одного з найпопулярніших пристроїв на виробництві. Агрегат має невеликі габарити і має високий рівень ККД. Такі мультиплікатори застосовують у неагресивному середовищі з помірною запиленістю. Унікальність такого пристрою у використанні шевронного зачеплення у швидкохідному ступені.
Редуктори Ц2-250-25 мають низку особливостей:
- Пристрій оптимально працюємо в режимі 24 години.
- Обертання валів як в один, так і у зворотний бік.
- Навантаження одного напрямку або реверсивне.
- Максимальна частота обертання вхідного валу 1500 об/хв.
- Високий ккд 98%
Замовити редуктор Ц2-250-25 та інші пристрої, ви можете, зателефонувавши або залишивши заявку у нас на сайті. Співпрацюючи з компанією «Промпривод», ви отримуєте якісний товар, оскільки всі пристрої перед відправкою проходять додаткові перевірки. Ми надаємо гарантію від виробника на 12 місяців, а також 100% виконання всіх умов договору. Доставка можлива по всіх куточках України.
Розміри циліндричного кранового редуктора Ц2-250-25:
| AWT | Aw б | A | A1 | B | H | H1 | h | h1 | L | L1 | L2 | L3 | L4 | L5 | d | n |
| 150 | 100 | 285 | 210 | 260 | 310 | 160 | 18 | - | 515 | 400 | 75 | 183 | 220 | 280 | 22 | 4 |
Варіанти складання редуктора Ц2-250-25:
Технічні характеристики редуктора Ц2-250-25:
| Передавальне число | 25 | ||
| Момент крутіння на виході, Нм | Режим роботи | Безперервний Б (ПВ=100%) | 800 |
| Дуже важкий ДВ (ПВ=60%) | 900 | ||
| Важкий В (ПВ=40%) | 1200 | ||
| Середній С (ПВ=25%) | 2300 | ||
| Легкий Л (ПВ=15%) | 3300 | ||
| Швидкість обертання швидкохідного валу, об/хв | 1500 | ||
| Навантаження на вхідному валу, Н | Режим роботи | Безперервний Б (ПВ=100%) | 400 |
| Важкий В (ПВ=40%) | 400 | ||
| Середній С (ПВ=25%) | 600 | ||
| Легкий Л (ПВ=15%) | 810 | ||
| Навантаження на вихідному валу, Н | Режим роботи | Безперервний Б (ПВ=100%) | 7000 |
| Дуже важкий ДВ (ПВ=60%) | 6300 | ||
| Важкий В (ПВ=40%) | 8600 | ||
| Середній С (ПВ=25%) | 12000 | ||
| Легкий Л (ПВ=15%) | 14000 | ||
| Вага пристрою, кг | 128 | ||
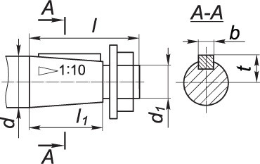
Розміри валів конічної форми циліндричного кранового редуктора Ц2-250-25:
| Вал, розташований на вході | Вал, розташований на виході | ||||||||||
| d | d1 | l | l1 | b | t | d | d1 | l | l1 | b | t |
| 30 | М20×1.5 | 80 | 58 | 5 | 15.55 | 65 | М42×3 | 140 | 105 | 16 | 33.88 |
Розміри валів циліндричної форми кранового редуктора Ц2-250-25:
| Вал, розташований на виході | ||||||||
| d | d1 | d2 | l | l1 | b | t | n | L |
| 65r6 | 32 | М10 | 105 | 20 | 18 | 71 | 2 | 255 |
Таблиця розмірів вала, розташованого на виході, що має вигляд зубчастої напівмуфти редуктора Ц2-250-25:
| b | d | d1 | d2 | L | l | l1 | Зачеплення | |
| m | z | |||||||
| 20 | 147 | 72F8 | 95 | 198 | 8 | 38 | 3.5 | 40 |
Приклад умовного позначення редуктора Ц2-250-25 при замовленні:
| Основные | |
|---|---|
| Производитель | Промпривод |
| Страна производитель | Украина |
| Количество рабочих ступеней | 2 |
| Материал корпуса | Чугун |
| Состояние | Новое |
| Тип | Редуктор |
| Тип комплектующего | Корпус |
| Тип редуктора | Цилиндрический |
| Пользовательские характеристики | |
| Вес редуктора | 128 кг |
| Гарантія | 1 год |
| Діаметр осі валу | по согласованию |
| Електродвигун | отечественный |
| КПД | 97% |
| Цвет корпуса | Красный|Серый|Синий |
| Кількість олії в редукторі | 3 л |
| Матеріал виготовлення валів | стали 45 и 40Х |
| Передавальне число | 25 |
| Термообробка зуб'їв | Да |
| Типи валів | конический, цилиндрический, в виде зубчатой полумуфты |
- Цена: 19 500 ₴






