Редуктор Ц2-250-50
Цилиндрический крановый редуктор Ц2-250-50 используют на производстве в приводах различных агрегатов и приборов общего назначения, а также подъемных механизмах. Уникальность такого устройства в использовании шевронного зацепления в быстроходной ступени.
Этот мультипликатор очень популярен и имеет ряд преимуществ:
- Стабильная работа при различных нагрузках.
- Вращение валов возможно в обе стороны с ограничением окружности скорости зубчатых передач 12 м/с.
- Длительный срок использования.
- Частота вращения входного вала от 600 до 1500 об/мин.
Заказать редуктор Ц2-250-50 и другие устройства, вы можете, звонив или оставив заявку у нас на сайте. Сотрудничая с компанией «Промпривод», вы получаете качественный товар, поскольку все устройства перед отправкой проходят дополнительные проверки. Мы предоставляем гарантию от производителя на 12 месяцев, а также 100% выполнения всех условий договора. Доставка возможна по всем уголках Украины.
Размеры цилиндрического кранового редуктора Ц2-250-50:
| AWT | Aw б | A | A1 | B | H | H1 | h | h1 | L | L1 | L2 | L3 | L4 | L5 | d | n |
| 150 | 100 | 285 | 210 | 260 | 310 | 160 | 18 | - | 515 | 400 | 75 | 183 | 220 | 280 | 22 | 4 |
Варианты складывания редуктора Ц2-250-50:
Технические характеристики редуктора Ц2-250-50:
| Передаточное число | 50 | ||
| Момент кручения на выходе, Нм | Режим работы | Непрерывный Б (ПВ=100%) | 800 |
| Очень тяжелый ДВ (ПВ=60%) | 800 | ||
| Важкий В (ПВ=40%) | 1200 | ||
| Средний С (ПВ=25%) | 2300 | ||
| Легкий Л (ПВ=15%) | 3400 | ||
| Скорость вращения быстроходного вала, об/мин | 1500 | ||
| Нагрузка на входном валу, Н | Режим работы | Непрерывный Б (ПВ=100%) | 400 |
| Важкий В (ПВ=40%) | 400 | ||
| Средний С (ПВ=25%) | 600 | ||
| Легкий Л (ПВ=15%) | 650 | ||
| Нагрузка на исходном валу, Н | Режим работы | Непрерывный Б (ПВ=100%) | 7000 |
| Очень тяжелый ДВ (ПВ=60%) | 6300 | ||
| Важкий В (ПВ=40%) | 8600 | ||
| Средний С (ПВ=25%) | 12000 | ||
| Легкий Л (ПВ=15%) | 14500 | ||
| Вес устройства, кг | 128 | ||
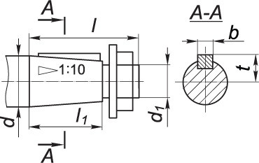
Размеры валов конической формы цилиндрического кранового редуктора Ц2-250-50:
| Вал, расположенный на входе | Вал, расположенный на выходе | ||||||||||
| d | d1 | l | l1 | b | t | d | d1 | l | l1 | b | t |
| 30 | М20×1.5 | 80 | 58 | 5 | 15.55 | 65 | М42×3 | 140 | 105 | 16 | 33.88 |
Размеры валов цилиндрической формы кранового редуктора Ц2-250-50:
| Вал, расположенный на выходе | ||||||||
| d | d1 | d2 | l | l1 | b | t | n | L |
| 65r6 | 32 | М10 | 105 | 20 | 18 | 71 | 2 | 255 |
Таблица размеров вала, расположенного на выходе, который выглядит зубчатой полумуфты редуктора Ц2-250-50:
| b | d | d1 | d2 | L | l | l1 | Зацепление | |
| m | z | |||||||
| 20 | 147 | 72F8 | 95 | 198 | 8 | 38 | 3.5 | 40 |
Пример условного обозначения редуктора Ц2-250-50 при заказе:
| Основные | |
|---|---|
| Производитель | Промпривод |
| Страна производитель | Украина |
| Количество рабочих ступеней | 2 |
| Материал корпуса | Чугун |
| Состояние | Новое |
| Тип | Редуктор |
| Тип комплектующего | Корпус |
| Тип редуктора | Цилиндрический |
| Пользовательские характеристики | |
| Вес редуктора | 128 кг |
| Гарантія | 1 год |
| Діаметр осі валу | по согласованию |
| Електродвигун | отечественный |
| КПД | 97% |
| Цвет корпуса | Красный|Серый|Синий |
| Кількість олії в редукторі | 3 л |
| Матеріал виготовлення валів | стали 45 и 40Х |
| Передавальне число | 50 |
| Термообробка зуб'їв | Да |
| Типи валів | конический, цилиндрический, в виде зубчатой полумуфты |
- Цена: 18 000 ₴






