Редуктор Ц2-350-20
Редуктор Ц2-350-20 относится к цилиндрическим специальных крановым устройствам, которые устанавливают на механизмы передвижения грузоподъемных машин. Данный агрегат совместим в работе с крановыми электродвигателями. Они служат передачи вращательного движения между соосвными или параллельными валами.
Механизм не рекомендуют устанавливать в очень запыленном помещении. Вращение валов возможно в обе стороны, без преимуществ. Мультипликатор работает без перебоев, как с остановками, так и круглосуточно с постоянной нагрузкой. Максимальная скорость вращения выходного вала составляет 1500 об/мин.
Заказывая оборудование в компании «Промпривод», вы получаете множество преимуществ, таких как:
- Гарантия и цены от производителя.
- Наши менеджеры всегда выслушат желание клиента и помогут подобрать нужное устройство.
- Товар высокого качества, потому что все редукторы проходят дополнительную проверку.
- Все условия договора выполняются на 100% в указанные сроки.
- Доставка по всей Украине.
Размеры цилиндрического кранового редуктора Ц2-350-20:
| AWT | Aw б | A | A1 | B | H | H1 | h | h1 | L | L1 | L2 | L3 | L4 | L5 | d | n |
| 200 | 150 | 400 | 280 | 330 | 410 | 212 | 25 | - | 700 | 550 | 100 | 238 | 300 | 345 | 26 | 6 |
Варианты складывания редуктора Ц2-350-20:
Технические характеристики редуктора Ц2-350-20:
| Передаточное число | 20 | ||
| Момент кручения на выходе, Нм | Режим работы | Непрерывный Б (ПВ=100%) | 2100 |
| Очень тяжелый ДВ (ПВ=60%) | 1900 | ||
| Важкий В (ПВ=40%) | 3000 | ||
| Средний С (ПВ=25%) | 5300 | ||
| Легкий Л (ПВ=15%) | 7300 | ||
| Скорость вращения быстроходного вала, об/мин | 1500 | ||
| Нагрузка на входном валу, Н | Режим работы | Непрерывный Б (ПВ=100%) | 800 |
| Важкий В (ПВ=40%) | 1100 | ||
| Средний С (ПВ=25%) | 2000 | ||
| Легкий Л (ПВ=15%) | 2300 | ||
| Нагрузка на исходном валу, Н | Режим работы | Непрерывный Б (ПВ=100%) | 11500 |
| Очень тяжелый ДВ (ПВ=60%) | 10000 | ||
| Важкий В (ПВ=40%) | 13700 | ||
| Средний С (ПВ=25%) | 18200 | ||
| Легкий Л (ПВ=15%) | 21000 | ||
| Вес устройства, кг | 275 | ||
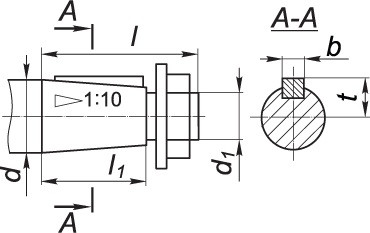
Размеры валов конической формы цилиндрического кранового редуктора Ц2-350-20:
| Вал, расположенный на входе | Вал, расположенный на выходе | ||||||||||
| d | d1 | l | l1 | b | t | d | d1 | l | l1 | b | t |
| 40 | М24×2 | 110 | 82 | 10 | 20.9 | 85 | М56×4 | 170 | 130 | 20 | 43.75 |
Размеры валов цилиндрической формы кранового редуктора Ц2-350-20:
| Вал, расположенный на выходе | ||||||||
| d | d1 | d2 | l | l1 | b | t | n | L |
| 85r6 | 50 | М12 | 130 | 22 | 22 | 93 | 2 | 320 |
Таблица размеров вала, расположенного на выходе, что выглядит зубчатой полумуфты редуктора Ц2-350-20:
| b | d | d1 | d2 | L | l | l1 | Зацепление | |
| m | z | |||||||
| 30 | 252 | 110F8 | 140 | 255 | 10 | 60 | 6 | 40 |
Пример условного обозначения редуктора Ц2-350-20 при заказе:
| Основные | |
|---|---|
| Производитель | Промпривод |
| Страна производитель | Украина |
| Количество рабочих ступеней | 2 |
| Материал корпуса | Чугун, Сталь |
| Состояние | Новое |
| Тип | Редуктор |
| Тип комплектующего | Корпус |
| Тип редуктора | Цилиндрический |
| Пользовательские характеристики | |
| Вес редуктора | 275 кг |
| Гарантія | 1 год |
| Діаметр осі валу | по согласованию |
| Електродвигун | отечественный |
| КПД | 97% |
| Цвет корпуса | Красный|Серый|Синий |
| Кількість олії в редукторі | 7 л |
| Матеріал виготовлення валів | стали 45 и 40Х |
| Передавальне число | 20 |
| Термообробка зуб'їв | Да |
| Типи валів | конический, цилиндрический, в виде зубчатой полумуфты |
- Цена: 36 500 ₴






