Редуктор Ц2-400-8
Цилиндрический двухступенчатый редуктор Ц2-400-8 предназначен для увеличения крутящего момента и уменьшения общей частоты вращения в любом подъемно-транспортном типе оборудования. Данные устройства нельзя заменить на производстве.
Механизм работает без перебоев, как с остановками, так и круглосуточно с постоянной нагрузкой. Скорость вращения выходного вала составляет от 600 до 1500 об/мин. Благодаря конструкции вала могут вращаться в разные стороны. Среда их применения не должна быть агрессивной и взрывоопасной.
Заказать редуктор вы можете на нашем сайте, оставив заявку. Также вы можете позвонить нашим менеджерам, которые представят вам полную техническую характеристику любого устройства. Сотрудничая с компанией «Промпривод», вы всегда получаете товар высокого качества. Мы предоставляем гарантию от производителя на 12 месяцев. Все устройства проходят проверки, которые исключают любой, даже малейший брак. Доставка возможна по всей Украине, любым удобным для вас способом.
Размеры цилиндрического кранового редуктора Ц2-400-8:
| AWT | Aw б | А | A1 | B | H | H1 | h | h1 | L | L1 | L2 | L3 | L4 | L5 | d | n |
| 250 | 150 | 500 | 320 | 380 | 505 | 265 | 27 | - | 805 | 640 | 150 | 286 | 325 | 375 | 33 | 6 |
Варианты складывания редуктора Ц2-400-8:
Технические характеристики редуктора Ц2-400-8:
| Передаточное число | 8 | ||
| Момент кручения на выходе, Нм | Режим работы | Непрерывный Б (ПВ=100%) | 3300 |
| Очень тяжелый ДВ (ПВ=60%) | 3650 | ||
| Тяжелый В (ПВ=40%) | 4000 | ||
| Средний С (ПВ=25%) | 5600 | ||
| Легкий Л (ПВ=15%) | 10000 | ||
| Скорость вращения быстроходного вала, об/мин | 1500 | ||
| Нагрузка на входном валу, Н | Режим работы | Непрерывный Б (ПВ=100%) | 2200 |
| Тяжелый В (ПВ=40%) | 2500 | ||
| Средний С (ПВ=25%) | 2950 | ||
| Легкий Л (ПВ=15%) | 3500 | ||
| Нагрузка на исходном валу, Н | Режим работы | Непрерывный Б (ПВ=100%) | 14000 |
| Очень тяжелый ДВ (ПВ=60%) | 14000 | ||
| Тяжелый В (ПВ=40%) | 15800 | ||
| Средний С (ПВ=25%) | 18700 | ||
| Легкий Л (ПВ=15%) | 25000 | ||
| Вес устройства, кг | 385 | ||
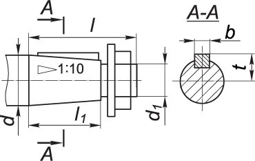
Размеры валов конической формы цилиндрического кранового редуктора Ц2-400-8:
| Вал, расположенный на входе | Вал, расположенный на выходе | ||||||||||
| d | d1 | l | l1 | b | t | d | d1 | l | l1 | b | t |
| 50 | М36×3 | 110 | 82 | 12 | 25.95 | 95 | М64×4 | 170 | 130 | 22 | 48.75 |
Размеры валов цилиндрической формы кранового редуктора Ц2-400-8:
| Вал, расположенный на выходе | ||||||||
| d | d1 | d2 | l | l1 | b | t | n | L |
| 95r6 | 50 | М12 | 130 | 22 | 25 | 104 | 2 | 350 |
Таблица размеров вала, расположенного на выходе, что выглядит зубчатой полумуфты редуктора Ц2-400-8:
| b | d | d1 | d2 | L | l | l1 | Зацепление | |
| m | z | |||||||
| 30 | 252 | 110F8 | 140 | 280 | 10 | 60 | 6 | 40 |
Пример условного обозначения редуктора Ц2-400-8 при заказе:
| Основные | |
|---|---|
| Производитель | Промпривод |
| Страна производитель | Украина |
| Количество рабочих ступеней | 2 |
| Материал корпуса | Чугун, Сталь |
| Состояние | Новое |
| Тип | Редуктор |
| Тип комплектующего | Корпус |
| Тип редуктора | Цилиндрический |
| Пользовательские характеристики | |
| Вес редуктора | 385 кг |
| Гарантія | 12 месяцев |
| Діаметр осі валу | по согласованию |
| Електродвигун | отечественный |
| КПД | 97% |
| Цвет корпуса | Красный|Серый|Синий |
| Кількість олії в редукторі | 12 л |
| Матеріал виготовлення валів | стали 45 и 40Х |
| Передавальне число | 8 |
| Термообробка зуб'їв | Да |
| Типи валів | конический, цилиндрический, в виде зубчатой полумуфты |
- Цена: 65 000 ₴






