Редуктор Ц2-350-25
Редуктор Ц2-350-25 використовують на виробництві в приводах різних агрегатів та приладів загального призначення, а також підйомних механізмах. Унікальність такого пристрою у використанні шевронного зачеплення у швидкохідному ступені.
Умови застосування редуктора Ц2-350-25:
- працює в помірно запиленому неагресивному середовищі;
- обертання валів можливе в обидві сторони, без переваг, обмеженням окружної швидкості зубчастих передач 12 м/с;
- завдяки конструкції пристрою вали можуть обертатися у різні боки;
- коефіцієнт корисної дії перевищує 98%.
Допускається експлуатація на вулиці та в приміщенні
Замовляючи обладнання в компанії «Промпривод», ви отримуєте безліч переваг, таких як:
- Гарантія та ціни від виробника.
- Наші менеджери завжди вислухають бажання клієнта та допоможуть підібрати потрібний пристрій.
- Товар високої якості, тому що всі редуктори проходять додаткову перевірку.
- Усі умови договору виконуються на 100% у зазначені терміни.
- Доставка по всій Україні.
Розміри циліндричного кранового редуктора Ц2-350-25:
| AWT | Aw б | A | A1 | B | H | H1 | h | h1 | L | L1 | L2 | L3 | L4 | L5 | d | n |
| 200 | 150 | 400 | 280 | 330 | 410 | 212 | 25 | - | 700 | 550 | 100 | 238 | 300 | 345 | 26 | 6 |
Варіанти складання редуктора Ц2-350-25:
Технічні характеристики редуктора Ц2-350-25:
| Передавальне число | 25 | |||
| Момент кручення на виході, Нм | Режим роботи | Безперервний Б (ПВ=100%) | 2100 | |
| Дуже важкий ДВ (ПВ=60%) | 1900 | |||
| Важкий В (ПВ=40%) | 3250 | |||
| Середній С (ПВ=25%) | 6000 | |||
| Легкий Л (ПВ=15%) | 8250 | |||
| Швидкість обертання швидкохідного валу, об/хв | 1500 | |||
| Навантаження на вхідний валу, Н | Режим роботи | Безперервний Б (ПВ=100%) | 800 | |
| Важкий В (ПВ=40%) | 800 | |||
| Середній С (ПВ=25%) | 1100 | |||
| Легкий Л (ПВ=15%) | 1000 | |||
| Навантаження на вихідний валу, Н | Режим роботи | Безперервний Б (ПВ=100%) | 11500 | |
| Дуже важкий ДВ (ПВ=60%) | 10000 | |||
| Важкий В (ПВ=40%) | 14200 | |||
| Середній С (ПВ=25%) | 18200 | 19300 | ||
| Легкий Л (ПВ=15%) | 22000 | |||
| Вага пристрою, кг | 275 | |||
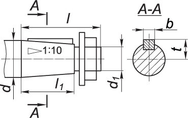
Розміри валів конічної форми циліндричного кранового редуктора Ц2-350-25:
| Вал, розташований на вході | Вал, розташований на виході | ||||||||||
| d | d1 | l | l1 | b | t | d | d1 | l | l1 | b | t |
| 40 | М24×2 | 110 | 82 | 10 | 20.9 | 85 | М56×4 | 170 | 130 | 20 | 43.75 |
Розміри валів циліндричної форми кранового редуктора Ц2-350-25:
| Вал, розташований на виході | ||||||||
| d | d1 | d2 | l | l1 | b | t | n | L |
| 85r6 | 50 | М12 | 130 | 22 | 22 | 93 | 2 | 320 |
Таблиця розмірів вала, розташованого на виході, що має вигляд зубчастої півмуфти редуктора Ц2-350-25:
| b | d | d1 | d2 | L | l | l1 | Зачеплення | |
| m | z | |||||||
| 30 | 252 | 110F8 | 140 | 255 | 10 | 60 | 6 | 40 |
Приклад умовного позначення редуктора Ц2-350-25 при замовленні:
| Основні | |
|---|---|
| Виробник | Промпривод |
| Країна виробник | Україна |
| Кількість робочих ступенів | 2 |
| Матеріал корпусу | Чавун, Сталь |
| Стан | Новий |
| Тип | Редуктор |
| Тип комплектуючого | Корпус |
| Тип редуктора | Циліндричний |
| Користувальницькі характеристики | |
| Вага редуктора | 275 кг |
| Гарантія | 1 рік |
| Діаметр осі валу | за узгодженням |
| Електродвигун | вітчизняний |
| ККД | 97% |
| Колір корпусу | Червоний | Сірий | Синій |
| Кількість олії в редукторі | 7 л |
| Матеріал виготовлення валів | стали 45 и 40Х |
| Передавальне число | 25 |
| Термообробка зуб'їв | Да |
| Типи валів | конічний, циліндричний, у формі зубчастої напівмуфти |
- Ціна: 35 125 ₴






