Редуктор Ц2-500-40
Редуктор Ц2-500-40 відноситься до циліндричних кранових пристроїв з паралельним розташуванням осей. Такі редуктори встановлюють для зміни кількості обертів і крутного моменту валу в приводах, що у різних сферах.
Пристрій працює без перебоїв, як із зупинками, так і цілу добу з постійним навантаженням. Швидкість обертання вихідного валу становить від 600 до 1500 об/хв. Завдяки конструкції пристрою вали можуть обертатися у різні боки. Середовище їх застосування не повинно бути агресивним та вибухонебезпечним.
Компанія «Промпривод» вже понад 10 років є надійним виробником та постачальником редукторів та інших найменувань на ринки України. Купуючи товар у нас, ви отримуєте ціну та гарантію від виробника. Усі пристрої, зходячи з конвеєра, проходять перевірку, що виключає брак. Доставка товару йде всіма куточками України.
Розміри циліндричного кранового редуктора Ц2-500-40:
| AWT | Aw б | A | A1 | B | H | H1 | h | h1 | L | L1 | L2 | L3 | L4 | L5 | d | n |
| 300 | 200 | 640 | 360 | 440 | 598 | 315 | 30 | - | 985 | 785 | 190 | 340 | 390 | 445 | 39 | 6 |
Варіанти складання редуктора Ц2-500-40:
Технічні характеристики редуктора Ц2-500-40:
| Передавальне число | 40 | |||
| Момент крутіння на виході, Нм | Режим роботи | Безперервний Б (ПВ=100%) | 5500 | |
| Дуже важкий ДВ (ПВ=60%) | 6150 | |||
| Важкий В (ПВ=40%) | 9500 | |||
| Середній С (ПВ=25%) | 18000 | |||
| Легкий Л (ПВ=15%) | 26000 | 28000 | ||
| Швидкість обертання швидкохідного валу, об/хв | 1500 | |||
| Навантаження на вхідному валу, Н | Режим роботи | Безперервний Б (ПВ=100%) | 1100 | 900 |
| Важкий В (ПВ=40%) | 2000 | |||
| Середній С (ПВ=25%) | 3000 | 2500 | ||
| Легкий Л (ПВ=15%) | 3700 | 3000 | ||
| Навантаження на вихідному валу, Н | Режим роботи | Безперервний Б (ПВ=100%) | 13600 |
|
| Дуже важкий ДВ (ПВ=60%) | 14000 | |||
| Важкий В (ПВ=40%) | 24350 | |||
| Середній С (ПВ=25%) | 22000 | |||
| Легкий Л (ПВ=15%) | 40300 | 41800 | ||
| Вага пристрою, кг | 615 | |||
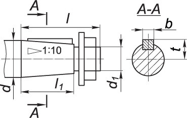
Розміри валів конічної форми циліндричного кранового редуктора Ц2-500-40:
| Вал, розташований на вході | Вал, розташований на виході | ||||||||||
| d | d1 | l | l1 | b | t | d | d1 | l | l1 | b | t |
| 60 | М42×3 | 140 | 105 | 16 | 31.38 | 110 | М80×4 | 210 | 165 | 25 | 55.88 |
Розміри валів циліндричної форми кранового редуктора Ц2-500-40:
| Вал, розташований на виході | ||||||||
| d | d1 | d2 | l | l1 | b | t | n | L |
| 110s6 | 80 | М12 | 165 | 22 | 28 | 120 | 3 | 410 |
Таблиця розмірів валу, розташованого на виході, який має вигляд зубчастої напівмуфти редуктора Ц2-500-40:
| b | d | d1 | d2 | L | l | l1 | Зачеплення | |
| m | z | |||||||
| 40 | 336 | 150F8 | 215 | 330 | 15 | 65 | 8 | 40 |
Приклад умовного позначення редуктора Ц2-500-40 при замовленні:
| Основні | |
|---|---|
| Виробник | Промпривод |
| Країна виробник | Україна |
| Кількість робочих ступенів | 2 |
| Матеріал корпусу | Чавун, Сталь |
| Стан | Новий |
| Тип | Редуктор |
| Тип комплектуючого | Корпус |
| Тип редуктора | Циліндричний |
| Користувальницькі характеристики | |
| Вага редуктора | 615 кг |
| Гарантія | 12 місяців |
| Діаметр осі валу | за узгодженням |
| Електродвигун | вітчизняний |
| ККД | 97% |
| Колір корпусу | Червоний | Сірий | Синій |
| Кількість олії в редукторі | 20 л |
| Матеріал виготовлення валів | стали 45 и 40Х |
| Передавальне число | 40 |
| Термообробка зуб'їв | Да |
| Типи валів | конічний, циліндричний, у формі зубчастої напівмуфти |
- Ціна: 62 250 ₴






