Циліндричний редуктор ЦУ-100-2.5
Редуктори ЦУ-100-2.5 виконані у вигляді одноступінчастого механізму, який має міжосьову відстань вихідного ступеня 100 мм. Даний вид перетворювачів встановлюється у сухому, тропічному та помірному кліматі, а також вибухобезпечних приміщеннях згідно з умовами розміщення ГОСТ 15150-69. Експлуатується з постійними чи змінними навантаженнями з періодичними зупинками.
Конструкція редуктора ЦУ-100
Технічні характеристики редуктора ЦУ-100-2.5
| Характеристика | Значення | |
| Передавальне число | 2.5 | |
| Допустиме радіальне консольне навантаження, Н | на швидкохідному валу | 630 |
| на тихохідному валу | 2240 | |
| Номінальний крутний момент на тихохідному валу, Н.м | 315 | |
| ККД | 0.98 | |
| Маса, кг | 27 | |
Габаритні та приєднувальні розміри редуктора ЦУ-100
| Редуктор | Aw | A | A1 | В | В1 | Н | Н1 | h | L | L1 |
| ЦУ-100-2.5 | 100 | 224 | 95 | 140 | 132 | 224 | 112 | 22 | 315 | 265 |
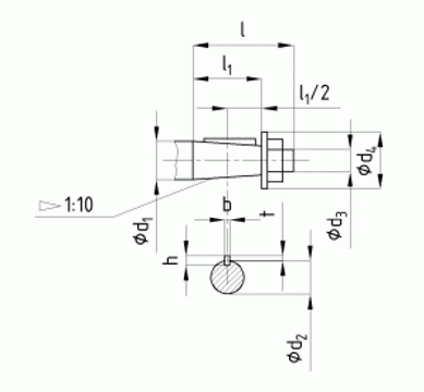
Приєднувальні розміри вихідних валів редуктора ЦУ
Характеристики швидкохідного валу
| Редуктор | d | d1 | l | l1 | b | t |
| ЦУ-100 | 25 | М16х1.5 | 60 | 42 | 5 | 13.45 |
Характеристики тихохідного валу
| Редуктор | d | d1 | l | l1 | b | t |
| ЦУ-100 | 35 | М20х1.5 | 80 | 58 | 6 | 18.55 |
Варіанти складання редуктора ЦУ
Приклад умовного позначення редуктора ЦУ-100
Щоб купити редуктор ЦУ потрібно заповнити форму заявки на сторінці товару, а також зателефонувати за телефонами, зазначеними на сайті. Для постійних клієнтів є гнучка система знижок. Компанія «Промпривод» пропонує широкий асортимент запасних частин для приладів різних типів. Перед відправленням кожен редуктор проходить перевірку у відділі технічного контролю. Здійснюємо швидку та своєчасну доставку редукторів по всіх регіонах України.
| Основні | |
|---|---|
| Виробник | Промпривод |
| Країна виробник | Україна |
| Кількість робочих ступенів | 1 |
| Матеріал корпусу | Чавун |
| Розташування валів редуктора | Горизонтальне |
| Стан | Новий |
| Тип | Редуктор |
| Тип комплектуючого | Корпус |
| Тип редуктора | Циліндричний |
| Користувальницькі характеристики | |
| Вага | 27 кг |
| Гарантія | 1 рік |
| КПД, не менше | 98 |
- Ціна: 15 600 ₴






