Циліндричний редуктор ЦУ-160-2.5
Щоб збільшити момент, що крутить, і зменшити частоту обертання різноманітних машин і механізмів необхідно використовувати редуктори ЦУ-160-2.5. Даний вид механізмів використовується у навколишньому середовищі із сухим, вологим або помірним кліматом. Приклад умовного позначення редуктора ЦУ-160-2.5-12К У2, де:
- ЦУ - тип редуктора.
- 160 - міжосьова відстань вихідного ступеня, мм.
- 2.5 - номінальне передавальне число.
- 12 - варіант складання.
- К - конічне виконання кінця вихідного валу.
- У2 - кліматичне виконання та категорія розміщення згідно з ГОСТ 15150-69.
Конструкція редуктора ЦУ-160
Технічні характеристики редуктора ЦУ-160-2.5
| Характеристика | Значення | |
| Передавальне число | 2.5 | |
| Допустиме радіальне консольне навантаження, Н | на швидкохідному валу | 1250 |
| на тихохідному валу | 4500 | |
| Номінальний крутний момент на тихохідному валу, Н.м | 1250 | |
| ККД | 0.98 | |
| Маса, кг | 78 | |
Габаритні та приєднувальні розміри редуктора ЦУ-160
| Редуктор | Aw | A | A1 | В | В1 | Н | Н1 | h | L | L1 |
| ЦУ-160-2.5 | 160 | 355 | 125 | 185 | 175 | 335 | 170 | 28 | 475 | 405 |
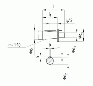
Приєднувальні розміри вихідних валів редуктора ЦУ
Характеристики швидкохідного валу
| Редуктор | d | d1 | l | l1 | b | t |
| ЦУ-160 | 45 | М30х2.0 | 110 | 82 | 12 | 23.45 |
Характеристики тихохідного валу
| Редуктор | d | d1 | l | l1 | b | t |
| ЦУ-160 | 55 | М36х3.0 | 110 | 82 | 14 | 28.95 |
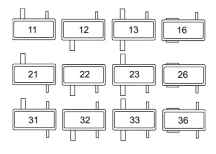
Варіанти складання редуктора ЦУ
Приклад умовного позначення редуктора ЦУ-160
Щоб купити редуктор ЦУ потрібно заповнити форму заявки на сторінці товару, а також зателефонувати за телефонами, зазначеними на сайті. Для постійних клієнтів є гнучка система знижок. Компанія «Промпривод» пропонує широкий асортимент запасних частин для приладів різних типів. Перед відправленням кожен редуктор проходить перевірку у відділі технічного контролю. Здійснюємо швидку та своєчасну доставку редукторів по всіх регіонах України.
| Основні | |
|---|---|
| Виробник | Промпривод |
| Країна виробник | Україна |
| Кількість робочих ступенів | 1 |
| Матеріал корпусу | Чавун |
| Розташування валів редуктора | Горизонтальне |
| Стан | Новий |
| Тип | Редуктор |
| Тип комплектуючого | Корпус |
| Тип редуктора | Циліндричний |
| Користувальницькі характеристики | |
| Вага | 78 кг |
| Гарантія | 12 місяців |
| КПД, не менше | 98 |
| Тип робочого навантаження | Постійна, змінна, одного напрямку, реверсивна |
- Ціна: 20 100 ₴






