Циліндричний редуктор ЦУ-160-3.15
Головним завданням одноступінчастого редуктора ЦУ-160-3.15 є зменшення частоти обертання та збільшення крутного моменту у загальному машинобудуванні. Даний вид механізмів встановлюється та експлуатується за таких умов:
- Вхідний вал має частоту обертання, яка не перевищує 1800 об/хв.
- Невибухонебезпечне та неагресивне зовнішнє середовище.
- Температура навколишнього середовища в межах від -40 до +40 С.
Конструкція редуктора ЦУ-160
Технічні характеристики редуктора ЦУ-160-3.15
| Характеристика | Значення | |
| Передавальне число | 3.15 | |
| Допустиме | на швидкохідному валу | 1250 |
| на тихохідному валу | 4500 | |
| Номінальний крутний момент на тихохідному валу, Н.м | 1250 | |
| ККД | 0.98 | |
| Маса, кг | 78 | |
Габаритні та приєднувальні розміри редуктора ЦУ-160
| Редуктор | Aw | A | A1 | В | В1 | Н | Н1 | h | L | L1 |
| ЦУ-160-3.15 | 160 | 355 | 125 | 185 | 175 | 335 | 170 | 28 | 475 | 405 |
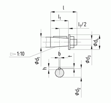
Приєднувальні розміри вихідних валів редуктора ЦУ
Характеристики швидкохідного валу
| Редуктор | d | d1 | l | l1 | b | t |
| ЦУ-160 | 45 | М30х2.0 | 110 | 82 | 12 | 23.45 |
Характеристики тихохідного валу
| Редуктор | d | d1 | l | l1 | b | t |
| ЦУ-160 | 55 | М36х3.0 | 110 | 82 | 14 | 28.95 |
Варіанти складання редуктора ЦУ
Приклад умовного позначення редуктора ЦУ-160
Щоб купити редуктор ЦУ потрібно заповнити форму заявки на сторінці товару, а також зателефонувати за телефонами, зазначеними на сайті. Для постійних клієнтів є гнучка система знижок. Компанія «Промпривод» пропонує широкий асортимент запасних частин для приладів різних типів. Перед відправленням кожен редуктор проходить перевірку у відділі технічного контролю. Здійснюємо швидку та своєчасну доставку редукторів по всіх регіонах України.
Характеристики
| Основні | |
|---|---|
| Виробник | Промпривод |
| Країна виробник | Україна |
| Кількість робочих ступенів | 1 |
| Матеріал корпусу | Чавун |
| Розташування валів редуктора | Горизонтальне |
| Стан | Новий |
| Тип | Редуктор |
| Тип комплектуючого | Корпус |
| Тип редуктора | Циліндричний |
| Користувальницькі характеристики | |
| Вага | 78 кг |
| Гарантія | 12 місяців |
| КПД, не менше | 98 |
| Тип робочого навантаження | Постійна, змінна, одного напрямку, реверсивна |
Інформація для замовлення
- Ціна: 19 300 ₴






