Циліндричний редуктор ЦУ-200-3.15
Для збільшення моменту, що крутить, а також зменшення частоти обертання в загальному машинобудуванні необхідно використовувати редуктори ЦУ-200-3.15.
Такий вид механізмів має паралельне розташування валів та розміщується в чавунному корпусі. Здатні працювати з постійними та змінними навантаженнями при періодичних зупинках у навколишньому середовищі з температурою в межах від -40 С до +40 С.
Конструкція редуктора ЦУ-200
Технічні характеристики редуктора ЦУ-200-3.15
| Характеристика | Значення | |
| Передавальне число | 3.15 | |
| Допустиме | на швидкохідному валу | 2800 |
| на тихохідному валу | 6300 | |
| Номінальний крутний момент на тихохідному валу, Н.м | 2500 | |
| ККД | 0.98 | |
| Маса, кг | 135 | |
Габаритні та приєднувальні розміри редуктора ЦУ-200
| Редуктор | Aw | A | A1 | В | В1 | Н | Н1 | h | L | L1 |
| ЦУ-200-3.15 | 200 | 437 | 165 | 212 | 200 | 425 | 212 | 36 | 670 | 580 |
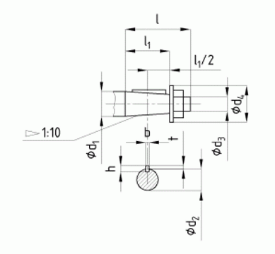
Приєднувальні розміри вихідних валів редуктора ЦУ
Характеристики швидкохідного валу
| Редуктор | d | d1 | l | l1 | b | t |
| ЦУ-200 | 55 | М36х3.0 | 110 | 82 | 14 | 28.95 |
Характеристики тихохідного валу
| Редуктор | d | d1 | l | l1 | b | t |
| ЦУ-200 | 70 | М48х3.0 | 140 | 105 | 18 | 36.38 |
Варіанти складання редуктора ЦУ
Приклад умовного позначення редуктора ЦУ-200
Щоб купити редуктор ЦУ потрібно заповнити форму заявки на сторінці товару, а також зателефонувати за телефонами, зазначеними на сайті. Для постійних клієнтів є гнучка система знижок. Компанія «Промпривод» пропонує широкий асортимент запасних частин для приладів різних типів. Перед відправленням кожен редуктор проходить перевірку у відділі технічного контролю. Здійснюємо швидку та своєчасну доставку редукторів по всіх регіонах України.
| Основні | |
|---|---|
| Виробник | Промпривод |
| Країна виробник | Україна |
| Кількість робочих ступенів | 1 |
| Матеріал корпусу | Чавун |
| Розташування валів редуктора | Горизонтальне |
| Стан | Новий |
| Тип | Редуктор |
| Тип комплектуючого | Корпус |
| Тип редуктора | Циліндричний |
| Користувальницькі характеристики | |
| Вага | 135 кг |
| Гарантія | 1 рік |
| КПД, не менше | 98 |
| Тип робочого навантаження | Постійна, змінна, одного напрямку, реверсивна |
- Ціна: 30 000 ₴






