Циліндричний редуктор ЦУ-250-2.5
Промислові приводи, такі як редуктори ЦУ-250-2.5, встановлюються в приміщеннях з температурою в межах від -40 С до +40 С. Має вигляд механізму з паралельним розташуванням валів у чавунному корпусі.
Пристрій використовується в різноманітних виробничих та промислових галузях щоб зменшити частоту обертання та збільшити крутний момент. Даний вид редукторів має міжосьову відстань вихідного ступеня 250 мм.
Конструкція редуктора ЦУ-250
Технічні характеристики редуктора ЦУ-250-2.5
| Характеристика | Значення | |
| Передавальне число | 2.5 | |
| Допустиме | на швидкохідному валу | 4000 |
| на тихохідному валу | 9000 | |
| Номінальний крутний момент на тихохідному валу, Н.м | 5000 | |
| ККД | 0.98 | |
| Маса, кг | 250 | |
Габаритні та приєднувальні розміри редуктора ЦУ-250
| Редуктор | Aw | A | A1 | В | В1 | Н | Н1 | h | L | L1 |
| ЦУ-250-2.5 | 250 | 545 | 185 | 265 | 250 | 530 | 265 | 40 | 710 | 615 |
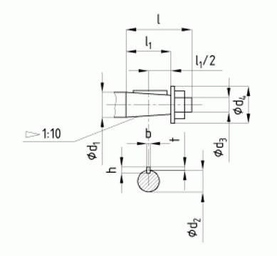
Приєднувальні розміри вихідних валів редуктора ЦУ
Характеристики швидкохідного валу
| Редуктор | d | d1 | l | l1 | b | t |
| ЦУ-250 | 70 | М48х3.0 | 140 | 105 | 18 | 36.38 |
Характеристики тихохідного валу
| Редуктор | d | d1 | l | l1 | b | t |
| ЦУ-250 | 90 | М64х4.0 | 170 | 130 | 22 | 46.75 |
Варіанти складання редуктора ЦУ
Приклад умовного позначення редуктора ЦУ-250
Щоб купити редуктор ЦУ потрібно заповнити форму заявки на сторінці товару, а також зателефонувати за телефонами, зазначеними на сайті. Для постійних клієнтів є гнучка система знижок. Компанія «Промпривод» пропонує широкий асортимент запасних частин для редукторів різних типів. Перед відправленням кожен редуктор проходить перевірку у відділі технічного контролю. Здійснюємо швидку та своєчасну доставку редукторів по всіх регіонах України.
| Основні | |
|---|---|
| Виробник | Промпривод |
| Країна виробник | Україна |
| Кількість робочих ступенів | 1 |
| Матеріал корпусу | Чавун |
| Розташування валів редуктора | Горизонтальне |
| Стан | Новий |
| Тип | Редуктор |
| Тип комплектуючого | Корпус |
| Тип редуктора | Циліндричний |
| Користувальницькі характеристики | |
| Вага | 250 кг |
| Гарантія | 1 рік |
| КПД, не менше | 98 |
| Тип робочого навантаження | Постійна, змінна, одного напрямку, реверсивна |
- Ціна: 47 400 ₴






