Редуктор 1Ц3У-200
Циліндричний горизонтальний редуктор 1Ц3У-200 - це механізм зміни частоти обертання і крутного моменту.
Пристрій 1Ц3У-200 є триступінчастим апаратом, який передає обертовий рух між валами. Має величезний спектр застосування через його компактність. Воно може використовуватися для постійної роботи та роботи з перервами.
Робота валів може проводитися в будь-яких напрямках, але частота обертання вхідного валу не повинна бути більше ніж 1800 об/хв. Редуктор має чавунний корпус з отвором для мастильних матеріалів, що знаходиться вгорі.
Дану модель редуктора можна придбати у нас на сайті компанії «Промпривод» за найнижчою ціною та з гарантією якості. Кожен товар проходить перевірку. При замовленні Ви отримуєте паспорт до пристрою та гарантію на 12 місяців. Доставка здійснюється в будь-яку точку України в найкоротші терміни. Для постійних клієнтів та оптових покупців діє гнучка система знижок.
Схема та розміри редуктора 1Ц3У-200
| Передавальні числа | 16; 20; 25; 31,5; 40; 45; 50; 56; 63; 80; 100; 125; 160; 200 | |
| Навантаження на вал, Н | на швидкохідний вал | 1250 |
| на тихохідний вал | 12500 | |
| Мкр на тихохідному валу, Н.м | 2500 | |
| ККД | 0,96 | |
| Вага, кг | 190 | |
Розміри редуктора 1Ц3У-200 із зубчастою передачею та трьома ступенями
| Aw т | Aw п | Aw б | A | A 1 | B | B 1 | H | H 1 | h | L | L 1 | L 2 | L 3 | L 4 | L 5 | d |
| 200 | 125 | 100 | 580 | 165 | 243 | 230 | 425 | 212 | 36 | 775 | 650 | 165 | 236 | 190 | 280 | 24 |
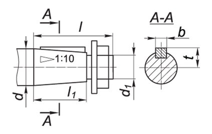
Розміри валів редуктора 1Ц3У-200, що виробляються у вигляді конуса
| Вал на вході | Вал на виході | ||||||||||
| d | d 1 | l | l 1 | b | t | d | d 1 | l | l 1 | b | t |
| 25 | М16х1,5 | 60 | 42 | 5 | 13,45 | 70 | М48х3,0 | 140 | 105 | 18 | 36,38 |
Розміри валів редуктора 1Ц3У-200, які виготовляються у вигляді циліндра
| Вал на вході | Вал на виході | ||||||
| d | l | b | t | d | l | b | t |
| 22k6 | 42 | 6 | 24,5 | 65m6 | 105 | 18 | 69 |
Габарити вихідного валу циліндричного редуктора 1Ц3У-200, який виконаний у вигляді напівмуфти:
| b | d | d 1 | d 2 | d 3 | L | l | l 1 | Зачеплення | |
| m | z | ||||||||
| 25 | 210 | 100 | 80F8 | 105 | 197 | 10 | 50 | 5 | 40 |
Варіанти складання редуктора
Умовне позначення редуктора 1Ц3У-200

| Основні | |
|---|---|
| Виробник | Промпривод |
| Країна виробник | Україна |
| Кількість робочих ступенів | 3 |
| Матеріал корпусу | Чавун |
| Розташування валів редуктора | Горизонтальне |
| Стан | Новий |
| Тип | Редуктор |
| Тип редуктора | Циліндричний |
| Користувальницькі характеристики | |
| Вага | 190 кг |
| Гарантія | 12 місяців |
| Діаметр осі валу | за узгодженням |
| Електродвигун | вітчизняний |
| ККД | 97% |
| Колір | синій, червоний, сірий |
| Кількість олії в редукторі | 12 л |
| Матеріал виготовлення валів | сталь 45 і 40Х |
| Міжосьова відстань | 200 мм мм |
| Передавальне число | от 16 до 200 |
| Термообробка зуб'їв | Да |
| Типи валів | конічний, циліндричний, у формі зубчастої муфти |
- Ціна: 32 000 ₴






