Мотор-редуктор 4МП-31.5
Мотор-редуктор 4МП-31.5 відноситься до планетарних редукторів, які призначені для того, щоб виробляти зниження частоти обертання, а також передачі крутного моменту механізмам загальномашинобудівного призначення, при цьому винятками є механізми для підйому вантажу.
Агрегат 4МП-31.5 необхідний для використання в бурових установках, які мають своє призначення буріння на воду, крім того даний мотор-редуктор застосовується в конвеєрах шнекових, стрічкових, а також інших установках промислового призначення.
Умови застосування редукторів:
- режим роботи тривалий, з тривалістю роботи 24 години на добу;
- навантаження постійне та змінне (в межах номінального крутного моменту) одного напрямку та реверсивне;
- висота над рівнем моря до 1000 м;
- зовнішнє середовище неагресивне, невибухонебезпечне із вмістом непровідного пилу до 10 мг/м 3 .
- кліматичне виконання П (N) помірний клімат, категорія розміщення 3 - експлуатація в приміщеннях, де коливання температури та вологості повітря істотно менше, ніж на відкритому повітрі, робоча температура навколишнього середовища від -45С до +40С, або Т (тропічний клімат), категорія розміщення 2 -експлуатація під навісом або в приміщенні, де коливання температури та вологості повітря несуттєво відрізняються від коливань на відкритому повітрі, робоча температура навколишнього середовища від -10С до +45С.
Для комплектації виробу застосовуються асинхронні двигуни серії 4АМ, серії АІР або АІР. За погодженням із виробником допускається комплектація двигунами сільськогосподарського виконання 4АСУ1 та іншими спеціальними двигунами (морського, вибухобезпечного виконання, постійного струму, зниженої напруги).
Мотор-редуктор 4МП-31.5: основні технічні характеристики
| Частота, з якою обертається вихідний вал, об/хв | Момент крутіння на вихідному валу, Нм | Передавальне відношення редуктора | Маса, кг (не більше) | Двигун | |
| Марка | Потужність, кВт | ||||
| 2.2 | 250 | 408 | 21.5 | АІР63А6 | 0.18 |
| 3.55 | 250 | 408 | 20.1 | АІР56А4 | 0.12 |
| 5.6 | 200 | 251 | 20.1 | АІР56А4 | 0.12 |
| 250 | 251 | 20.6 | АІР56В4 | 0.18 | |
| 7.1 | 250 | 408 | 20.1 | АІР56А2 | 0.18 |
| 9 | 200 | 163 | 20.6 | АІР56В4 | 0.18 |
| 12.5 | 212 | 210 | 20 | АІР56В2 | 0.25 |
| 16 | 250 | 170 | 21.5 | АІР63А2 | 0.37 |
| 18 | 200 | 41.6 | 30.7 | АІР80А8 | 0.37 |
| 22.4 | 230 | 31.9 | 32 | АІР80В8 | 0.55 |
| 28 | 180 | 31.9 | 27 | АІР71В6 | 0.55 |
| 230 | 31.9 | 30 | АІР80В6 | 0.75 | |
| 35.5 | 212 | 41.6 | 28 | АІР71В4 | 0.75 |
| 45 | 160 | 31.9 | 28 | АІР71В4 | 0.75 |
| 56 | 170 | 26 | 30 | АІР80А4 | 1.1 |
| 230 | 26 | 30 | АІР80В4 | 1.5 | |
| 71 | 200 | 41.6 | 30 | АІР80А2 | 1.5 |
| 90 | 230 | 31.9 | 32 | АІР80В2 | 2.2 |
| 112 | 170 | 7.84 | 45 | АІР100L6 | 2.2 |
| 140 | 200 | 10.2 | 45 | АІР100S4 | 3 |
| 180 | 212 | 7.84 | 51 | АІР100L4 | 4 |
| 280 | 190 | 10.2 | 51 | АІР100L2 | 5.5 |
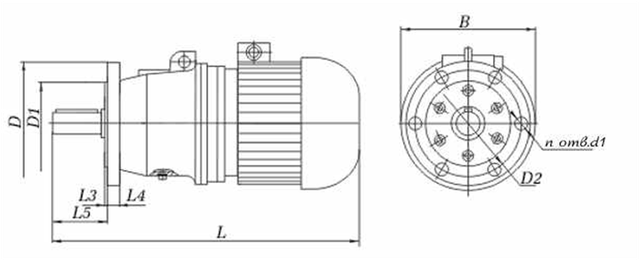
Мотор-редуктор 4МП-31.5: габаритні та приєднувальні розміри (кріплення на лапах)
| Кількість ступенів редуктора 4МП-31.5 | L | B | H | L1 | L2 | B1 | B2 | H1 | H2 | H3 | d |
| не більше | |||||||||||
| одноступінчастий | 590 | 250 | 247 | 82 | 130 | 155 | 190 | 100 | 15 | 25 | 15 |
| двоступінчастий | 510 | 200 | 225 | – | |||||||
| триступінчастий | 460 | 190 | 215 | ||||||||
Мотор-редуктор 4МП-31.5: габаритні та приєднувальні розміри (кріплення на фланці)
| Кількість ступенів редуктора 4МП-31.5 | L | B | L3 | L4 | L5 | D | D1 | D2 | d1 | n |
| не більше | ||||||||||
| одноступінчастий | 590 | 250 | 5 | 12 | 68 | 180 | 130 | 155 | 12 | 6 |
| двоступінчастий | 510 | 200 | ||||||||
| триступінчастий | 460 | 190 | ||||||||
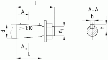
Розміри циліндричного вала мотор редуктора 4МП-31.5
| d | d1 | I | I1 | b | t |
| 28 | M16×1.5 | 60 | 42 | 5 | 14.95 |
Розміри конічного вала мотор редуктора 4МП-31.5
| d | I | b | t |
| 28k6 | 60 | 8 | 31 |
Мотор-редуктор 4МП-31.5: варіанти складання
ПРИКЛАД УМОВНОГО ПОЗНАЧЕННЯ ПРИ ЗАМОВЛЕННІ
| Основні | |
|---|---|
| Виробник | Промпривод |
| Країна виробник | Україна |
| Кількість робочих ступенів | 3 |
| Матеріал корпусу | Чавун |
| Стан | Новий |
| Тип | Мотор-редуктор |
| Тип комплектуючого | Корпус |
| Тип редуктора | Планетарний |
| Користувальницькі характеристики | |
| Вага редуктора | от 20 до 51 кг |
| Гарантія | 12 місяців |
| Діаметр осі валу | за узгодженням |
| Електродвигун | вітчизняний |
| ККД | от 96 до 98% |
| Колір корпусу | Червоний | Сірий | Синій |
| Крутний момент на вихідному валу | від 160 до 250 Нм |
| Матеріал виготовлення валів | стали 45 и 40Х |
| Передавальне число | от 7.84 до 408 |
| Термообробка зубів | Да |
| Тип кріплення | за допомогою лап або на фланці |
| Типи валів | конічний, порожнистий, циліндричний |
- Ціна: 15 450 ₴





