Мотор редуктор 3МП-50 (3 ступені 12.5 об/хв)
Мотор редуктор 3МП-50 (3 ступені 12.5 об/хв) - представляє агрегат, що поєднує 2 типи обладнання - асинхронний електродвигун АІР71В4 та редуктор зубчастого типу з планетарною передачею. Механізм у порівнянні з іншими загальнопромисловими перетворювачами має відносно невеликі розміри і масу, що значно полегшує процес його монтажу.
3МП має 3 робочі ступені. Його використовують для зниження навантаження на двигун робочого обладнання. Найчастіше задіяно для комплектації бетономішалок, зрошувальних систем, котелень, насосних станцій, дозаторів, елеваторів та інших механізмів.
Редуктор здатний функціонувати в режимі постійного та змінного навантаження в умовах помірного та тропічного клімату. При цьому умови в приміщенні, де працюватиме перетворювач, мають бути вибухобезпечними та неагресивними.
Купити мотор редуктор 3МП-50 3 ступені 12.5 об/хв за порівняно низькою ціною можна на сайті компанії «Промпривод». Ми пропонуємо лише нове обладнання власного виробництва. Складання механізму ми здійснюємо у власному цеху, перед відправкою перевіряємо його у відділі технічного контролю.
Умови використання мотор-редуктор 3МП 50
| Характеристика | Значення |
| Тип навантаження | Постійний, змінний |
| Напрямок обертання тихохідного валу | Односпрямований або реверсивний |
| Режим роботи | Тривалий або з періодичними зупинками |
| Кліматичне виконання | У, Т, категорія розміщення 2,3 |
| Температурний діапазон | Від -45 до +45С |
| Зовнішнє середовище | Неагресивне, вибухобезпечне, з вмістом непровідного пилу до 10мг/м3 |
Основні технічні характеристики мотор-редуктора 3МП 50 (3 ступені 12.5 об/хв)
| Частота обертання вихідного валу об/хв | Кількість ступенів | ККД мотор-редуктора не менше % | Маса редуктора кг | Допустиме радіально-консольне навантаження на вихідному валу, Н | Комплектуючий електродвигун | |
| Марка | Потужність кВт | |||||
| 12.5 | 3 | 75% | 67 | 5730 | АІР71В4 | 0,75 |
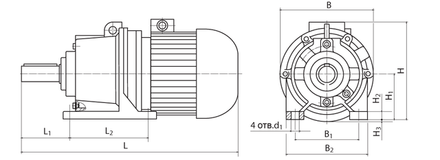
Габаритні та приєднувальні розміри мотор-редуктора 3МП 50 (виконання – на лапах)
| Позначення мотор-редуктора | Частота обертання вихідного валу об/хв | L | B | H | L1 | L2 | B1 | B2 | H1 | H2 | H3 | d1 |
| Не більше | ||||||||||||
| 3МП-50 | 12.5 | 637 | 270 | 295 | 145 | 210 | 220 | 266 | 132 | 22 | - | 22 |
Габаритні та приєднувальні розміри мотор-редуктора 3МП 50 (виконання - фланець)
| Позначення мотор-редуктора | Частота обертання вихідного валу об/хв | L | B | L3 | L4 | L5 | D | D1 | D2 | d2 | n |
| Не більше | |||||||||||
| 3МП-50 | 12.5 | 637 | 270 | 8 | 18 | 124 | 250 | 180 | 215 | 17 | 6 |
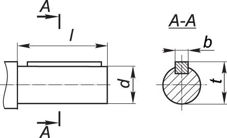
Приєднувальні розміри циліндричних валів мотор-редуктора 3МП
| Мотор-редуктор | d | l | b | t |
| 3МП-50 | 45k6 | 110 | 14 | 48,5 |
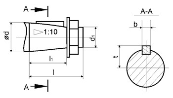
Приєднувальні розміри конічних валів мотор-редуктора 3МП
| Мотор-редуктор | d | d1 | l | l1 | b | t |
| 3МП-50 | 45 | М30х2,0 | 110 | 82 | 12 | 23,45 |
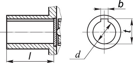
Приєднувальні розміри порожнистих валів мотор-редуктора 3МП
| Мотор-редуктор | d | l | b | t |
| 3МП-50 | 40Н7 | 80 | 12 | 43,3 |
| Основні | |
|---|---|
| Виробник | Промпривод |
| Країна виробник | Україна |
| Кількість робочих ступенів | 3 |
| Матеріал корпусу | Чавун, Алюміній, Сталь |
| Розташування валів редуктора | Горизонтальне |
| Стан | Новий |
| Тип | Мотор-редуктор |
| Тип редуктора | Планетарний |
| Користувальницькі характеристики | |
| Вага | 68 кг |
| Гарантія | 12 місяців |
| Марка двигуна | АИР71В4 |
| Потужність | 0.75 кВт |
| Тип валів | Конічний, циліндричний, порожнистий |
| Тип кріплення | На лапах, на фланці |
| Тип навантаження | Постійна, змінна |
| Частота обертання вихідного вала | 12.5 об./хв об/хв |
- Ціна: 24 570 ₴





