Мотор редуктор 3МП-50 2 ступені 22.4 об/хв
Мотор редуктор 3МП-50 2 ступені 22.4 об/хв використовується для укомплектування тихохідного промислового обладнання - це і бетономішалки, і преси, і дозатори. Також його можна задіяти в сільськогосподарській сфері для елеваторів, напувалок для птахів, зрошувальних систем.
У перетворювача 2 робочі ступені. Комплектується він асинхронним електродвигуном АІР90L6, а також редуктором зубчастого типу із планетарною передачею. Від інших загальнопромислових редукторів 3МП відрізняється високим моментом, що крутить, на вихідному валу, здатністю рівномірно розподіляти радіальні сили по корпусу і відносно невеликими габаритами і масою.
Купити мотор редуктор 3МП-50 2 ступені 22.4 об/хв хорошої якості за ціною, нижчою від середньоринкової, можна в компанії «Промпривод». На нашому сайті представлений великий асортимент перетворювачів із планетарною передачею з різними типорозмірами та кількістю ступенів. Вся продукція відповідає ГОСТ і на неї надається гарантія 12 місяців. Відвантаження обладнання виконується у суворо обумовлені терміни.
Умови використання мотор-редуктора 3МП 50
| Характеристика | Значення |
| Тип навантаження | Постійний, змінний |
| Напрямок обертання тихохідного вала | Односпрямований або реверсивний |
| Режим роботи | Тривалий або з періодичними зупинками |
| Кліматичне виготовлення | У, Т, категорія розміщення 2,3 |
| Температурний діапазон | От -45 до +45 С |
| Зовнішнє середовище | Неагресивне, невибухонебезпечне, із вмістом непровідного пилу до 10мг/м3 |
Основні технічні характеристики мотор-редуктора 3МП 50 (22.4 об/хв, АІР90L6)
| Частота обертання вихідного вала об/хв | Кількість ступенів | ККД мотор-редуктора не менше % | Маса редуктора кг | Допустиме радіально-консольне навантаження на вихідному валу, Н | Комплектуючий електродвигун | |
| Марка | Потужність кВт | |||||
| 22.4 | 2 | 86% | 74 | 5970 | АІР90L6 | 1,5 |
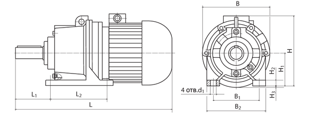
Конструкція та габаритні розміри мотор-редуктора 3МП 50 (22.4 об/хв, АІР90L6)
Габаритні та приєднувальні розміри мотор-редуктора 3МП 50 (виконання - на лапах)
| Позначення мотор-редуктора | Частота обертання вихідного вала об/хв | L | B | H | L1 | L2 | B1 | B2 | H1 | H2 | H3 | d1 |
| Не більше | ||||||||||||
| 3МП-50 | 22.4 | 637 | 270 | 295 | 145 | 210 | 220 | 266 | 132 | 22 | - | 22 |
Конструкція та габаритні розміри мотор-редуктора 3МП 50 (22.4 об/хв, АІР90L6)
Габаритні та приєднувальні розміри мотор-редуктора 3МП 50 (виконання - фланець)
| Позначення мотор-редуктора | Частота обертання вихідного вала об/хв | L | B | L3 | L4 | L5 | D | D1 | D2 | d2 | n |
| Не більше | |||||||||||
| 3МП-50 | 22.4 | 637 | 270 | 8 | 18 | 124 | 250 | 180 | 215 | 17 | 6 |
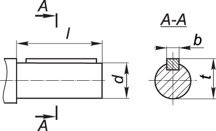
Приєднувальні розміри циліндричних валів мотор-редуктора 3МП
| Мотор-редуктор | d | l | b | t |
| 3МП-50 | 45k6 | 110 | 14 | 48,5 |
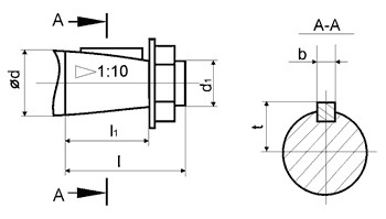
Приєднувальні розміри конічних валів мотор-редуктора 3МП
| Мотор-редуктор | d | d1 | l | l1 | b | t |
| 3МП-50 | 45 | М30х2,0 | 110 | 82 | 12 | 23,45 |
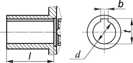
Приєднувальні розміри порожнистих валів мотор-редуктора 3МП
| Мотор-редуктор | d | l | b | t |
| 3МП-50 | 40Н7 | 80 | 12 | 43,3 |
| Основні | |
|---|---|
| Виробник | Промпривод |
| Країна виробник | Україна |
| Кількість робочих ступенів | 2 |
| Матеріал корпусу | Чавун, Алюміній, Сталь |
| Розташування валів редуктора | Горизонтальне |
| Стан | Новий |
| Тип | Мотор-редуктор |
| Тип корпусу | Литий |
| Тип редуктора | Планетарний |
| Користувальницькі характеристики | |
| Вага | 74 кг |
| Гарантія | 12 місяців |
| ККД | 74% |
| Максимальна потужність приєднується електродвигуна. | 1.5 кВт |
| Марка двигуна | АИР90L6 |
| Потужність | 1.5 кВт |
| Тип валу | Конічний, циліндричний, порожнистий |
| Тип кріплення | На лапах, на фланці |
| Тип навантаження | Постійна, змінна |
| Частота обертання вихідного вала | 22.4 об./хв об/хв |
- Ціна: 23 800 ₴





