Черв'ячний редуктор Ч-80-12.5 варіанта складання 53
Потрібно організувати коректну перетворювальну систему? Використовуйте черв'ячні одноступінчасті редуктори Ч-80-12.5-53, виходячи з варіанта складання перетворювача та інших технічних характеристик.
У нас ви можете придбати механізм, створений у будь-якому складанні за ГОСТ 20373-94. Редуктор відноситься до черв'ячного типу, тому має плавний хід, що дозволяє надати процесу перетворення коректне значення. Такий механізм характеризується тривалим терміном служби.
Конструкція редуктора Ч-80
Варіант складання редуктора 53
Умови застосування редуктора Ч
| Характеристика | Значення |
| Тип навантаження | Постійний, змінний |
| Напрямок руху вала | Односпрямований або реверсивний |
| Режим роботи | Постійний або з зупинками |
| Частота обертання вхідного вала, не більш ніж | 1800 об/хв |
| Зовнішнє середовище | Нейтральне, неагресивне та невибухонебезпечне |
| Кліматичне виконання | У, Т для категорії розміщення 1-3 і УХЛ, О для категорії розміщення 4 |
Купити редуктор Ч-80 в Україні найвигідніше у вітчизняного виробника
У компанії «Промпривод» ви завжди знайдете в безпосередній наявності або на замовлення редуктори черв'ячні у всіх необхідних варіантах складання. Дзвоніть нам у будь-який зручний час, залишайте онлайн-заявки і консультуйтеся у досвідчених співробітників про нюанси використання перетворювача, що зацікавив вас.
Доставляємо редуктори Ч в будь-який регіон України перевіреними транспортними компаніями! Безліч перетворювачів знаходиться в безпосередній наявності, тому вони можуть бути відправлені вам у найкоротші терміни.
Габаритні та приєднувальні розміри черв'ячного редуктора Ч
| A | B | B 1 | B 2 | B 3 | H | H 1 | H 2 | L | L 1 | L 2 | L 3 | d |
| 105 | 120 | 100 | 140 | 163 | 180 | 72 | 37 | 160 | 100 | 150 | 100 | 13 |
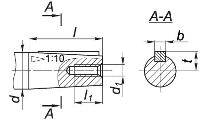
Приєднувальні розміри швидкохідного вала редуктора Ч
| Редуктор | d | d 1 | l | l 1 | b | t |
| Ч-80 | 25 | М8 | 42 | 20 | 5 | 13,45 |
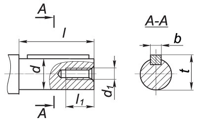
Приєднувальні розміри тихохідного вала редуктора Ч
| Редуктор | d | d 1 | l | l 1 | b | t |
| Ч-80 | 35к6 | М8 | 80 | 20 | 10 | 38 |
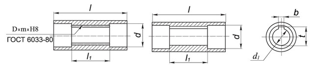
Приєднувальні розміри порожнистих валів редуктора Ч
| Редуктор | d | d 1 | l | l 1 | b | t | D х m х H8 |
| Ч-80 | 41 | 35 | 116 | 66 | 10 | 38,3 | 40 х 1,5 х H8 |
Варіанти розташування черв'ячної пари
Приклад умовного позначення
| Основні | |
|---|---|
| Виробник | Промпривод |
| Країна виробник | Україна |
| Кількість робочих ступенів | 1 |
| Матеріал корпусу | Чавун |
| Розташування валів редуктора | Горизонтальне |
| Стан | Новий |
| Тип | Редуктор |
| Тип комплектуючого | Корпус |
| Тип корпусу | Литий |
| Тип редуктора | Черв'ячний |
| Додаткові характеристики | |
| Спосіб кріплення | На лапки |
| Користувальницькі характеристики | |
| Гарантія | 1 рік |
| Діаметр осі валу | за узгодженням |
| Електродвигун | вітчизняний |
| ККД | 58% |
| КПД, не менше | 58 |
| Колір корпусу | Червоний | Сірий | Синій |
| Кількість олії в редукторі | 1 л |
| Максимальний крутний момент | 300 Нм |
| Матеріал виготовлення валів | стали 45 и 40Х |
| Мінімальний крутний момент | 280 Нм |
| Номінальне передаточне число | 12.5 |
| Передавальне число | от 8 до 80 |
| Термообробка зуб'їв | Да |
| Тип робочого навантаження | Постійна, змінна, одного напрямку, реверсивна |
| Частота обертання вихідного вала | 1800 об./хв об/хв |
| Частота обертання вхідного валу | 1800 об./хв |
- Ціна: 12 300 ₴






