Черв'ячний редуктор Ч-100-12.5 варіанта складання 51
Одноступінчастий редуктор Ч-100-12.5-51, складений у зазначеному складанні номер 51 у повній відповідності до ГОСТ 20373-94, відноситься до універсальних перетворювачів загального призначення.
Цей механізм може бути поміщений в автоматизовану систему пристроїв шляхом сполучення через кінці вхідного та вихідного валів. В даному редукторі вали розташовуються перпендикулярно один щодо одного і мають два виводи.
Конструкція редуктора Ч-100
Варіант складання редуктора 51
Умови застосування редуктора Ч
| Характеристика | Значення |
| Тип навантаження | Постійний, змінний |
| Напрямок руху вала | Односпрямований або реверсивний |
| Режим роботи | Постійний або з зупинками |
| Частота обертання вхідного вала, не більш ніж | 1800 об/хв |
| Зовнішнє середовище | Нейтральне, неагресивне та невибухонебезпечне |
| Кліматичне виконання | У, Т для категорії розміщення 1-3 і УХЛ, О для категорії розміщення 4 |
Хочете дізнатися більше про перетворювача? Телефонуйте в «Промпривод»!
Ми надаємо докладну консультацію своїм клієнтам не тільки з питань придбання, а й про нюанси використання, конструкції та встановлення різного промислового обладнання. Професійні співробітники компанії «Промпривод» допоможуть вам купити редуктор Ч-100, ціна на який варіюватиметься від типорозміру та розміру замовлення. Усі можливі варіанти складання механізму ви можете побачити у нас на сайті або уточнити за телефоном.
Доставка по всій Україні перевіреними транспортними компаніями-компаньйонами!
Габаритні та приєднувальні розміри черв'ячного редуктора Ч
| A | B | B 1 | B 2 | B 3 | H | H 1 | H 2 | L | L 1 | L 2 | L 3 | d |
| 100 | 194 | 175 | 140 | 225 | 312 | 100 | 18 | 373 | 240 | 200 | 225 | 19 |
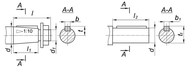
Приєднувальні розміри швидкохідного вала редуктора Ч
| d | d 1 | l | l 1 | b | t |
| 32 | М20х1,5 | 80 | 58 | 6 | 17,05 |
Приєднувальні розміри тихохідного вала редуктора Ч
| d | d 1 | l | l 1 | l 2 | b | t | b 1 | t 1 |
| 45 | М30х2,0 | 110 | 82 | 90 | 12 | 23,45 | 14 | 48,5 |
Приєднувальні розміри порожнистих валів редуктора Ч
| d | d 1 | l | l 1 | b | t | D х m х H8 |
| 46 | 35 | 205 | 90 | 10 | 38,3 | 45 х 2,0 х Н8 |
Варіанти розташування черв'ячної пари
Приклад умовного позначення
| Основні | |
|---|---|
| Виробник | Промпривод |
| Країна виробник | Україна |
| Кількість робочих ступенів | 1 |
| Матеріал корпусу | Чавун |
| Розташування валів редуктора | Горизонтальне |
| Стан | Новий |
| Тип | Редуктор |
| Тип комплектуючого | Корпус |
| Тип корпусу | Литий |
| Тип редуктора | Черв'ячний |
| Додаткові характеристики | |
| Спосіб кріплення | На лапки |
| Користувальницькі характеристики | |
| Гарантія | 1 рік |
| Діаметр осі валу | за узгодженням |
| ККД | 60% |
| КПД, не менше | 60 |
| Колір корпусу | Червоний | Сірий | Синій |
| Кількість олії в редукторі | 1.5 л |
| Максимальний крутний момент | 570 Нм |
| Матеріал виготовлення валів | стали 45 и 40Х |
| Мінімальний крутний момент | 300 Нм |
| Номінальне передаточне число | 12.5 |
| Передавальне число | от 8 до 80 |
| Термообробка зуб'їв | Да |
| Тип робочого навантаження | Постійна, змінна, одного напрямку, реверсивна |
| Частота обертання вхідного валу | 1800 об./хв |
- Ціна: 15 400 ₴






