Циліндричний редуктор 1Ц2У-100-12.5 варіанта складання 12
Циліндричний редуктор 1Ц2У-100-12.5-12 виготовляють у різних варіантах складання, але одним із найпоширеніших є варіант 12, зазначений у типорозмірі пристрою.
Відповідно до ГОСТ 20373-94, в якому містяться всі існуючі варіанти складання перетворювачів циліндричного та інших типів, складання 12 має два виходи валів - один тихохідний і один швидкохідний. Перший створюється з виходом у вигляді зубчастої напівмуфти або циліндричного типу.
Варіант складання редуктора
Умови застосування
| Опис | Характеристика |
| Тип навантаження | Постійний, змінний |
| Напрямок навантаження | Прямий, реверсивний |
| Можливість обертання валів в обох напрямках | Підтримується |
| Максимально допустима частота обертання вхідного вала | 1800 об/хв |
| Тип атмосфери, запиленість | I і II за ГОСТ 15150-69, не більш ніж 10 мг/м3 |
| Кліматичне виконання, категорія розміщення | У, Т, УХЛ, О, категорія розміщення 1-4 відповідно до ГОСТ 15150 |
Де купити редуктор 1Ц2У
У компанії «Промпривод» ви завжди знайдете якісні вітчизняні перетворювачі, створені на сучасному обладнанні висококваліфікованим персоналом. У нас ви зможете купити редуктор 1Ц2У в Україні за найнижчою вартістю, адже ми працюємо без посередників!
«Промпривод» завжди надсилає замовлення в обумовлений термін, надає чесну та тривалу гарантію на будь-який вид товару, та детально консультує з будь-яких питань!
Оптовим клієнтам – гідна знижка!
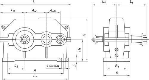
Схема габаритних і приєднувальних розмірів редуктора 1Ц2У-100
Габаритні та приєднувальні розміри редукторів 1Ц2У
| Aw т | Aw б | A | B | B 1 | H | H 1 | h | L | L 1 | L 2 | L 3 | L 4 | L 5 | d |
| 100 | 80 | 290 | 145 | 109 | 225 | 112 | 20 | 386 | 325 | 85 | 132 | 136 | 165 | 15 |
Основні технічні характеристики редукторів 1Ц2У
| Найменування технічних характеристик | Типорозмір редуктора | |
| 1Ц2У-100 | ||
| Передавальні числа | 8; 10; 12.5; 16; 20; 25; 31.5; 40 | |
| Допустиме навантаження, Н | на швидкохідному валу | 500 |
| на тихохідному валу | 4500 | |
| Номінальний момент, що крутить, Н.м | 315 | |
| ККД | 0,97 | |
| Маса, кг | 20 | |
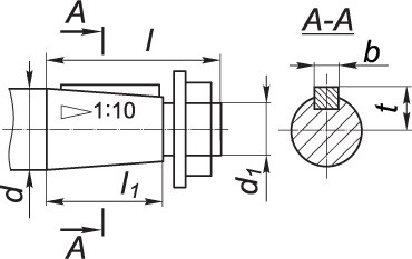
Приєднувальні розміри конічних валів редуктора 1Ц2У
| Швидкохідний вал | Тихохідний вал | ||||||||||
| d | d 1 | l | l 1 | b | t | d | d 1 | l | l 1 | b | t |
| 20 | М12х1,25 | 50 | 36 | 4 | 10,6 | 35 | М20х1,5 | 80 | 58 | 6 | 18,55 |
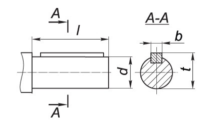
Приєднувальні розміри циліндричних валів редуктора 1Ц2У
| Швидкохідний вал | Тихохідний вал | ||||||
| d | l | b | t | d | l | b | t |
| 18k6 | 36 | 6 | 20,5 | 30m6 | 58 | 8 | 33 |
Умовне позначення редуктора 1Ц2У

| Основні | |
|---|---|
| Виробник | Промпривод |
| Країна виробник | Україна |
| Кількість робочих ступенів | 2 |
| Матеріал корпусу | Чавун |
| Розташування валів редуктора | Горизонтальне |
| Стан | Новий |
| Тип | Редуктор |
| Тип комплектуючого | Корпус |
| Тип корпусу | Литий |
| Тип редуктора | Циліндричний |
| Додаткові характеристики | |
| Спосіб кріплення | На лапки |
| Користувальницькі характеристики | |
| Вага | 20 кг |
| Гарантія | 12 місяців |
| Діаметр осі валу | за узгодженням |
| Електродвигун | вітчизняний |
| КПД, не менше | 97 |
| Колір корпусу | синій, червоний, сірий |
| Крутний момент на вихідному валу | 315 Нм |
| Кількість олії в редукторі | 1.1 л |
| Матеріал виготовлення валів | стали 45 и 40Х |
| Напрямок різьблення | Правая |
| Номінальне передаточне число | 12.5 |
| Термообробка зуб'їв | Да |
| Типи валів | конічний, циліндричний, порожнистий (у формі зубчастої півмуфти) |
| Частота обертання вхідного валу | 1800 об./хв |
- Ціна: 12 544 ₴






