Циліндричний редуктор РМ-250-12.5 варіанта складання 11
Редуктор РМ-250-12.5-11 – це промисловий двоступінчастий циліндричний перетворювач, який покликаний оптимізувати робочий процес. Агрегати встановлюють у приводну систему машин та механізмів, що працюють у повторно-короткочасному режимі.
Осі редуктора мають паралельне розміщення. Виходи тихохідного та швидкохідного валів розташовані з одного боку чавунного корпусу. Агрегати мають високий рівень ККД та тривалий безперебійний експлуатаційний термін при дотриманні умов застосування, зазначених у супровідних документах.
Варіант складання редуктора
Умови застосування
| Опис | Характеристика |
| Тип навантаження | Постійний, змінний, одного напряму, ревервивний |
| Режими роботи | Тривалий або зі змінними зупинками |
| Обертання валів | У будь-який бік |
| Максимально допустима частота обертання вхідного вала | 1500 об/хв |
| Температура зовнішнього середовища | Від -40 до +50 градусів Цельсія |
| Кліматичне виконання, категорія розміщення | У і Т, категорія розміщення I-IV відповідно до ГОСТ 15150-69 |
| Робота в умовах підвищеної запиленості | Допускається |
Купити редуктор РМ, ціна якого є цілком прийнятною, ви можете на сайті компанії «Промпривод». Ми випускаємо редуктори різних варіантів складання, що суттєво полегшить вам пошук необхідного монтажного варіанту. Також зателефонувавши за телефоном, вказаним на сайті, ви отримуєте висококваліфіковану допомогу при виборі перетворювача. Наші спеціалісти нададуть вам всю необхідну інформацію та допоможуть в оформленні замовлення.
Ми продаємо, якісні перетворювачі з гарантією та всіма сертифікуючими документами, а також здійснюємо швидку доставку до будь-якого населеного пункту України.
Технічні характеристики редуктора РМ-250-12.5
| Передавальне число, u | Фактичне передавальне число, u1 | ККД, % | Маса редуктора, кг | AwЗ | AwT | AwБ | Об'єм олії, що заливається, л |
| 12.5 | 12.64 | 98 | 85 | 250 | 150 | 100 | 1.6 |
| Частота обертання вхідного валу, об/хв | Допустимий момент, що крутить, на вихідному валу при роботі редуктора в повторно-короткочасних режимах, Н*м для передавальних чисел | Допустиме радіальне консольне навантаження, прикладене в середині посадкової частини, Н | ||
| 12.5 | Вхідний (швидкохідний) вал | Вихідний (тихохідний) | Вихідний (тихохідний) вал у вигляді зубчастої напівмуфти | |
| 600 | 3100 | 3100 | 24000 | 19100 |
| 750 | 3000 | 2900 | 22000 | 17600 |
| 1000 | 2900 | 2600 | 20500 | 16000 |
| 1250 | 2700 | 2400 | 19000 | 15000 |
| 1500 | 2600 | 2400 | 18500 | 14200 |
Габаритні та приєднувальні розміри редуктора РМ-250-12.5
| Aw | Aw2 | L | L1 | L2 | I | I1 | I2 | I3 | I4 |
| 250 | 150 | 540 | 200 | 239 | 320 | 235 | 45 | 50 | 189 |
| I5 | B | B1 | B2 | H | H1 | h | d | маса, кг | |
| 249 | 230 | 190 | 230 | 312 | 160 | 22 | 17 | 85 | |
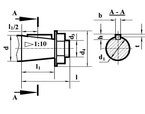
Розміри конічних кінців вхідних і вихідних валів редуктора РМ
| Редуктор | Вал | d1 | d2 | d3 | d4 | l | l1 | b | h | t |
| РМ-250 | вхідний | 30 | 27.1 | М20х1.5 | 50 | 80 | 58 | 5 | 5 | 2 |
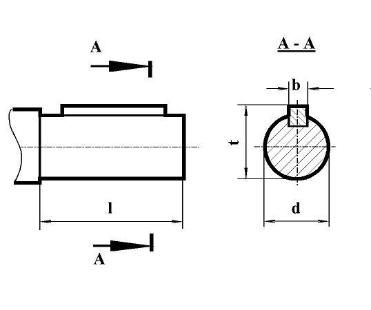
Розміри циліндричних кінців вхідних і вихідних валів редуктора РМ
| Редуктор | Вал | d2 | d1 | l | l1 | b | h | t |
| РМ-250 | вихідний | 55 m 6 | 65 | 238.5 | 82 | 16 | 60 | - |
Приєднувальні розміри тихохідного валу у вигляді зубчастої напівмуфти редуктора РМ-250
| Редуктор | Вал | m | z | b | L | L1 | k | B | d | d1 |
| РМ-250 | вихідний | 3 | 40 | 20 | 39.5 | 49.5 | 20 | 35 | 72 f 7 | 95 f 9 |
Умовні позначення редуктора РМ-250-12.5
| Основні | |
|---|---|
| Виробник | Промпривод |
| Країна виробник | Україна |
| Кількість робочих ступенів | 2 |
| Матеріал корпусу | Чавун, Алюміній |
| Розташування валів редуктора | Горизонтальне |
| Стан | Новий |
| Тип | Редуктор |
| Тип корпусу | Литий |
| Тип редуктора | Циліндричний |
| Користувальницькі характеристики | |
| Вага | 85 кг |
| Гарантія | 1 рік |
| Діаметр осі валу | за узгодженням |
| Електродвигун | вітчизняний |
| КПД, не менше | 98 |
| Колір | синій, червоний, сірий |
| Матеріал виготовлення валів | сталь 45 і 40Х |
| Міжосьова відстань | 250 мм мм |
| Передавальне число | 12.5 |
| Термообробка зуб'їв | Да |
| Тип робочого навантаження | Постійна, змінна, одного напрямку, реверсивна |
| Типи валів | конічний, циліндричний, у формі зубчастої муфти |
| Частота обертання вхідного валу | 1500 об./хв |
- Ціна: 21 750 ₴






