Редуктор Ц2-400-25
Циліндричний редуктор Ц2-400-25 встановлюють для зменшення швидкості обертання та подальшого збільшення крутного моменту валу в приводах механізмів, а також інших машин. Такі агрегати застосовуються з різними приводами для зміни їх моменту, що крутить, і швидкості обертання.
Пристрій працює без перебоїв, як із зупинками, так і цілу добу з постійним навантаженням. Швидкість обертання вихідного валу становить від 600 до 1500 об/хв. Завдяки конструкції мультиплікатора вали можуть обертатися у різні боки. Середовище їх застосування не повинно бути агресивним та вибухонебезпечним.
Замовити редуктор ви можете на нашому сайті, залишивши заявку. Також ви можете зателефонувати нашим менеджерам, які представлять вам повну технічну характеристику будь-якого пристрою. Співпрацюючи з компанією «Промпривод», ви завжди отримуєте товар високої якості. Ми надаємо гарантію від виробника на 12 місяців. Всі пристрої проходять перевірки, які виключають будь-який, навіть найменший брак. Доставка можлива по всій Україні, будь-яким зручним для вас способом.
Розміри циліндричного кранового редуктора Ц2-400-25:
| AWT | Aw б | А | A1 | B | H | H1 | h | h1 | L | L1 | L2 | L3 | L4 | L5 | d | n |
| 250 | 150 | 500 | 320 | 380 | 505 | 265 | 27 | - | 805 | 640 | 150 | 286 | 325 | 375 | 33 | 6 |
Варіанти складання редуктора Ц2-400-25:
Технічні характеристики редуктора Ц2-400-25:
| Передавальне число | 25 | ||
| Момент крутіння на виході, Нм | Режим роботи | Безперервний Б (ПВ=100%) | 3100 |
| Дуже важкий ДВ (ПВ=60%) | 3750 | ||
| Важкий В (ПВ=40%) | 4600 | ||
| Середній С (ПВ=25%) | 7300 | ||
| Легкий Л (ПВ=15%) | 14000 | ||
| Швидкість обертання швидкохідного валу, об/хв | 1500 | ||
| Навантаження на вхідному валу, Н | Режим роботи | Безперервний Б (ПВ=100%) | 900 |
| Важкий В (ПВ=40%) | 960 | ||
| Середній С (ПВ=25%) | 2100 | ||
| Легкий Л (ПВ=15%) | 2600 | ||
| Навантаження на вихідному валу, Н | Режим роботи | Безперервний Б (ПВ=100%) | 13600 |
| Дуже важкий ДВ (ПВ=60%) | 14000 | ||
| Важкий В (ПВ=40%) | 16900 | ||
| Середній С (ПВ=25%) | 21000 | ||
| Легкий Л (ПВ=15%) | 29000 | ||
| Вага пристрою, кг | 385 | ||
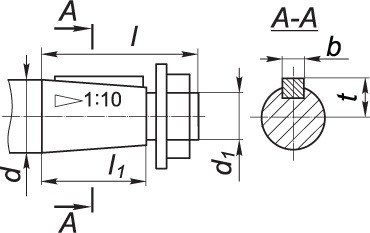
Розміри валів конічної форми циліндричного кранового редуктора Ц2-400-25:
| Вал, розташований на вході | Вал, розташований на виході | ||||||||||
| d | d1 | l | l1 | b | t | d | d1 | l | l1 | b | t |
| 50 | М36×3 | 110 | 82 | 12 | 25.95 | 95 | М64×4 | 170 | 130 | 22 | 48.75 |
Розміри валів циліндричної форми кранового редуктора Ц2-400-25:
| Вал, розташований на виході | ||||||||
| d | d1 | d2 | l | l1 | b | t | n | L |
| 95r6 | 50 | М12 | 130 | 22 | 25 | 104 | 2 | 350 |
Таблиця розмірів валу, розташованого на виході, який має вигляд зубчастої напівмуфти редуктора Ц2-400-25:
| b | d | d1 | d2 | L | l | l1 | Зачеплення | |
| m | z | |||||||
| 30 | 252 | 110F8 | 140 | 280 | 10 | 60 | 6 | 40 |
Приклад умовного позначення редуктора Ц2-400-25 при замовленні:
| Основні | |
|---|---|
| Виробник | Промпривод |
| Країна виробник | Україна |
| Кількість робочих ступенів | 2 |
| Матеріал корпусу | Чавун, Сталь |
| Стан | Новий |
| Тип | Редуктор |
| Тип комплектуючого | Корпус |
| Тип редуктора | Циліндричний |
| Користувальницькі характеристики | |
| Вага редуктора | 385 кг |
| Гарантія | 12 місяців |
| Діаметр осі валу | за узгодженням |
| Електродвигун | вітчизняний |
| ККД | 97% |
| Колір корпусу | Червоний | Сірий | Синій |
| Кількість олії в редукторі | 12 л |
| Матеріал виготовлення валів | стали 45 и 40Х |
| Передавальне число | 25 |
| Термообробка зуб'їв | Да |
| Типи валів | конічний, циліндричний, у формі зубчастої напівмуфти |
- Ціна: 55 625 ₴






