Мотор редуктор 3МП-50 (3 ступені 12.5 об/хв)
Мотор редуктор 3МП-50 (3 ступені 12.5 об/хв) по суті - електромеханічний перетворювач, що складається з 2 основних елементів - асинхронного двигуна марки АІР та редуктора зубчастого типу з планетарною передачею. Монтується механізм на тихохідне обладнання у різних галузях промисловості, зокрема й у сільське господарство.
Основне його призначення - зниження обертального моменту та збільшення кількості оборотів робочого механізму. Може працювати в режимі постійного та змінного навантаження у приміщеннях із вибухобезпечним неагресивним середовищем до 24 годин на добу.
Встановлювати редуктори можна на бетономішалки, зрошувальні системи, котельні, елеватори, преси, напувалки для птахів, насосні станції, подрібнювачі сумішей, дозатори та інші механізми.
Купити мотор редуктор 3МП-50 (3 ступені 12.5 об/хв) за доступною ціною можна на сайті компанії «Промпривод». Наша компанія є виробником продукції, тому можемо бути впевнені, що постачаємо клієнтам лише якісне обладнання. На всі типи механізмів надається гарантія 12 місяців. Відвантаження перетворювачів виконується у суворо обумовлені терміни. Доставка товарів – по всій Україні.
Умови використання мотор-редуктор 3МП 50
| Характеристика | Значення |
| Тип навантаження | Постійний, змінний |
| Напрямок обертання тихохідного валу | Односпрямований або реверсивний |
| Режим роботи | Тривалий або з періодичними зупинками |
| Кліматичне виконання | У, Т, категорія розміщення 2,3 |
| Температурний діапазон | Від -45 до +45С |
| Зовнішнє середовище | Неагресивне, вибухобезпечне, з вмістом непровідного пилу до 10мг/м3 |
Основні технічні характеристики мотор редуктора 3МП-50 (3 ступені 12.5 об/хв)
| Частота обертання вихідного валу об/хв | Кількість ступенів | ККД мотор-редуктора не менш % | Маса редуктора кг | Допустиме радіально-консольне навантаження на вихідному валу, Н | Комплектуючий електродвигун | |
| Марка | Потужність кВт | |||||
| 12.5 | 3 | 75% | 70 | 6850 | АІР80А4 | 1,1 |
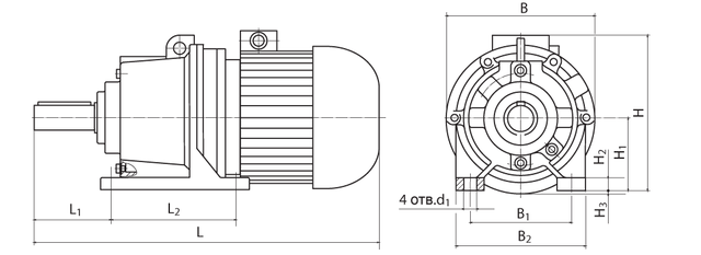
Габаритні та приєднувальні розміри мотор-редуктора 3МП 50 (виконання - на лапах)
| Позначення мотор-редуктора | Частота обертання вихідного валу об/хв | L | B | H | L1 | L2 | B1 | B2 | H1 | H2 | H3 | d1 |
| Не більше | ||||||||||||
| 3МП-50 | 12.5 | 637 | 270 | 295 | 145 | 210 | 220 | 266 | 132 | 22 | - | 22 |
Габаритні та приєднувальні розміри мотор-редуктора 3МП 50 (виконання - фланець)
| Позначення мотор-редуктора | Частота обертання вихідного валу об/хв | L | B | L3 | L4 | L5 | D | D1 | D2 | d2 | n |
| Не більше | |||||||||||
| 3МП-50 | 12.5 | 637 | 270 | 8 | 18 | 124 | 250 | 180 | 215 | 17 | 6 |
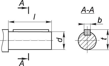
Приєднувальні розміри циліндричних валів мотор-редуктора 3МП
| Мотор-редуктор | d | l | b | t |
| 3МП-50 | 45k6 | 110 | 14 | 48,5 |
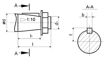
Приєднувальні розміри конічних валів мотор-редуктора 3МП
| Мотор-редуктор | d | d1 | l | l1 | b | t |
| 3МП-50 | 45 | М30х2,0 | 110 | 82 | 12 | 23,45 |
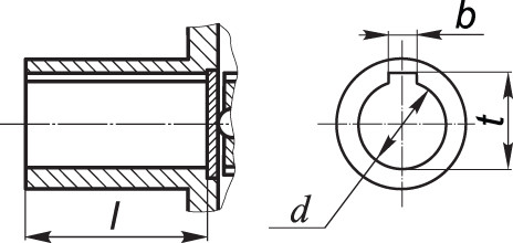
Приєднувальні розміри порожнистих валів мотор-редуктора 3МП
| Мотор-редуктор | d | l | b | t |
| 3МП-50 | 40Н7 | 80 | 12 | 43,3 |
| Основні | |
|---|---|
| Виробник | Промпривод |
| Країна виробник | Україна |
| Кількість робочих ступенів | 3 |
| Матеріал корпусу | Чавун, Алюміній, Сталь |
| Розташування валів редуктора | Горизонтальне |
| Стан | Новий |
| Тип | Мотор-редуктор |
| Тип редуктора | Планетарний |
| Користувальницькі характеристики | |
| Вага | 70 кг |
| Гарантія | 12 місяців |
| ККД | от 58 до 75% |
| Максимальна потужність приєднується електродвигуна. | 1.1 кВт |
| Марка двигуна | АИР80А4 |
| Потужність | 1.1 кВт |
| Тип кріплення | На лапах, на фланці |
| Тип навантаження | Постійна, змінна |
| Частота обертання вихідного вала | 12.5 об./хв об/хв |
- Ціна: 24 570 ₴





